Объявление

Свернуть
Пока нет объявлений.

Обсуждение элементов систем контроля температуры

Свернуть
X
 
  • Фильтр
  • Время
  • Показать
Очистить всё
новые сообщения

  • #31
    Сообщение от pmail@newmail.ru
    Нет, вентиляторы отдельно, туманообразователь - отдельно.
    Ну, по большому счёту, то же самое. У вас ведь "факел" в поток направлен?
    У этих (готовых вентиляторов) водяной насос тоже отдельно запускается, а вентилятор отдельно. Конечно, если использовать в теплице, то нужно будет завязывать цепи управления вентилятора и насоса на контроллер температуры, но смысл остаётся тот же.

    Комментарий


    • #32
      http://intellect-module.ru/products/upravlenie-elektropitaniem/l-power-node-2din.html

      для контроля температуры и влажности использую около года + расписание для подсветки.


      контроль по сети + емейл при проблемах

      Комментарий


      • #33
        Сообщение от elektro-kot
        я не нашёл у Вашего контроллера автоматического просчёта PID параметра
        Если вы не нашли, это не значит, что нет.
        Читайте, если не лень
        http://www.thermoprozess.cz/download/w93_manual_en.pdf

        Сообщение от elektro-kot
        Bosch, Siemens, Samsung, Sharp... и так до бесконечности
        Есть понятие Brand и есть No Name. То, что вы предлагаете покупать, относится ко второй категории.
        Сообщение от elektro-kot
        Вы уже просто не можете купить что-либо другое, разве что только приняв "лапшу" продавца
        У меня на коробке написано made in USA, и на реле Mexico. Врут, гады?
        А вообще вас не убедить, я всегда буду ошибаться, но мне это пофиг. :-)

        Комментарий


        • #34
          Сообщение от alanfil
          Если вы не нашли, это не значит, что нет.

          Читайте, если не лень
          Мне не лень, я таких спецификаций очень много вижу, ежедневно.
          Так вот, из спецификации Вами же приведённой - Ваш контроллер имеет так называемый автотюнинг-режим, только к PID просчёту это не имеет никакого отношения.
          Да и с Ваших же слов понятно, что температуру регулирует так себе, т.е не справляется. Вы пишете, что зависит от инерционности - глупо, т.к PID контроллеры с нормальным алгоритмом работы специально разработаны для того, чтобы избежать той самой инерционности системы в целом.
          Плюс ко всему, опять-таки по Вашей ссылке, погрешность измерения составляет 3 градуса уже при температуре 25!
          Вывод: наверное лет 15 назад я бы его и приобрёл, но не сегодня точно. Любой, даже самый дешёвый, но современный контроллер будет проще и точнее Вашего.
          1) Погрешность выше всех норм!
          2) Меню/настройки - даже не знаю что сказать, мне точно лень настраивать будет, на это уйдёт явно не один день.
          3) Стоимость - не понимаю, за что платить.

          Сообщение от alanfil
          Есть понятие Brand и есть No Name.
          Давайте не будем о брендах и No Name. На сегодняшний день на рынке выживают только те "бренды", которые наладили производство в Китае - это уже не новость. Кстати, большинство брендов вообще перестали что-либо производить, они просто продают своё имя тем же китайским No Name.

          Что касается TET-612, у него есть официальный производитель, гарантия и тех. поддержка, хотя за многие годы я к ним ни разу не обращался - на то не было причин.

          Сообщение от alanfil
          То, что вы предлагаете покупать, относится ко второй категории.
          На самом деле я никому ничего не предлагаю. Мне задали вопрос, что бы я мог посоветовать и я на него ответил. Ответ взят не с потолка, контроллер испытан, проверен вдоль и поперёк, справляется с поставленными задачами на 100%.

          Сообщение от alanfil
          У меня на коробке написано made in USA, и на реле Mexico. Врут, гады?
          Будьте уверены - сделано в США, можете спать спокойно

          Комментарий


          • #35
            Сообщение от elektro-kot
            погрешность измерения составляет 3 градуса
            Нет, я конечно не электронщик, честно, мне больше нравится путешествовать в поисках кактусов в природе, чем копаться в инструкциях и электросхемах, а моя работа с последним никак не связана. Но. Измеряет температуру термопара, никак не контроллер, так что не знаю, как квалифицировать ваш ответ. :-)
            На практике сейчас отклонение от заданного параметра в пределах 0.1 градуса. Температуру система не держит в жаркую погоду по простейшей причине. У меня нет системы охлаждения.
            Так что меня все устраивает. Даже если вас нет. Но судя по количеству продаж рекомендуемого вами аппаратика люди им пользуются, хотя там чаще бросаются на привлекательный ценник, как голодные собаки на требуху. :-)

            Комментарий


            • #36
              to alanfil:

              Аланфил, давайте сразу расставим все точки над И, дабы не было потом вопросов.

              Сообщение от alanfil
              Нет, я конечно не электронщик, честно, мне больше нравится путешествовать в поисках кактусов в природе, чем копаться в инструкциях и электросхемах, а моя работа с последним никак не связана.
              Во-первых, Вы не электронщик, я это понимаю, но раз уж Вы ввязались в дискуссию, то либо Вы аргументируете Ваши ответы, либо я буду вынужден принять их за флейм и поставить Вам первое предупреждение.

              Во-вторых, Вас в эту беседу не звали, вы подключились по собственному желанию и то, что Вы абсолютно не понимаете в электронике, не даёт Вам права приравнивать людей, покупающих выше описанные контроллеры, к собакам. Такого рода высказывания относятся к нарушениям и по правилам Вы должны уже получить второе предупреждение, а третьего, как всем нам известно, не бывает. Поэтому настоятельно рекомендую Вам снизить тона, потому как в случае продолжения сразу награжу БАНом, предупреждения до сих пор не выставил, чтобы не воспринималось, как сведение счетов.

              Далее по Вашим глупым высказываниям:



              Сообщение от alanfil
              Измеряет температуру термопара, никак не контроллер, так что не знаю, как квалифицировать ваш ответ. :-)
              Зато я знаю, как квалифицировать Ваш.
              Любой датчик имеет свою погрешность, но в данном случае мы говорим о погрешности приведённого Вами контроллера. Понимаете, у контроллера есть так называемая "чувствительность", и чем выше этот параметр, тем он точнее. Ваш контроллер, судя по приведённой Вами же спецификации, хромает в этом отношении. 3 градуса его погрешности + погрешность датчика и общая погрешность, в идеале, у Вас получится +- 5 градусов, поэтому Ваше высказывание
              Сообщение от alanfil
              На практике сейчас отклонение от заданного параметра в пределах 0.1 градуса.
              можно расценивать, как шутку из области фантастики.

              Теперь давайте попробуем уловить ту тонкую нить Вашей логики, которую я начинаю терять.
              Разберём Ваши предыдущие посты:

              Вы пишете:
              Сообщение от alanfil
              Температуру, впрочем держит относительно
              И тут же Ваше следующее высказывание:
              Сообщение от alanfil
              На практике сейчас отклонение от заданного параметра в пределах 0.1 градуса.
              Снова пишете:
              Сообщение от alanfil
              но это зависит от инерции теплового кабеля
              И снова нелепый ответ:
              Сообщение от alanfil
              Температуру система не держит в жаркую погоду по простейшей причине. У меня нет системы охлаждения.
              Далее:
              Сообщение от alanfil
              Но сам девайс настолько навороченный, что я так и не смог вникнуть во все его настройки. Температуру, впрочем держит относительно
              Из чего следует довольно странный вывод:
              Сообщение от alanfil
              Так что меня все устраивает.
              Не знаю, как Вы и другие, читающие эту тему, но я в Ваших высказываниях, противоречащих одно другому, уже запутался.

              Поэтому, как я уже сказал выше, либо Вы аргументируете Ваши ответы без перехода на грубые высказывания и продолжаете беседу, либо продолжаете в том же духе, но в этом случае о последствиях я Вас предупредил.

              Напоследок:

              Сообщение от alanfil
              Даже если вас нет.
              Меня не может не устраивать Ваша ситуация по причине того, что она Ваша и только
              Но, если Вы уже здесь пишете и тем более спрашиваете, а я полностью отвечаю на все Ваши вопросы, приводя достаточное количество аргументов, то извольте делать то же самое или просто не участвуйте в данной теме.

              Комментарий


              • #37
                Сообщение от elektro-kot
                Сейчас как раз собираю такой девайс, позже выложу схему.
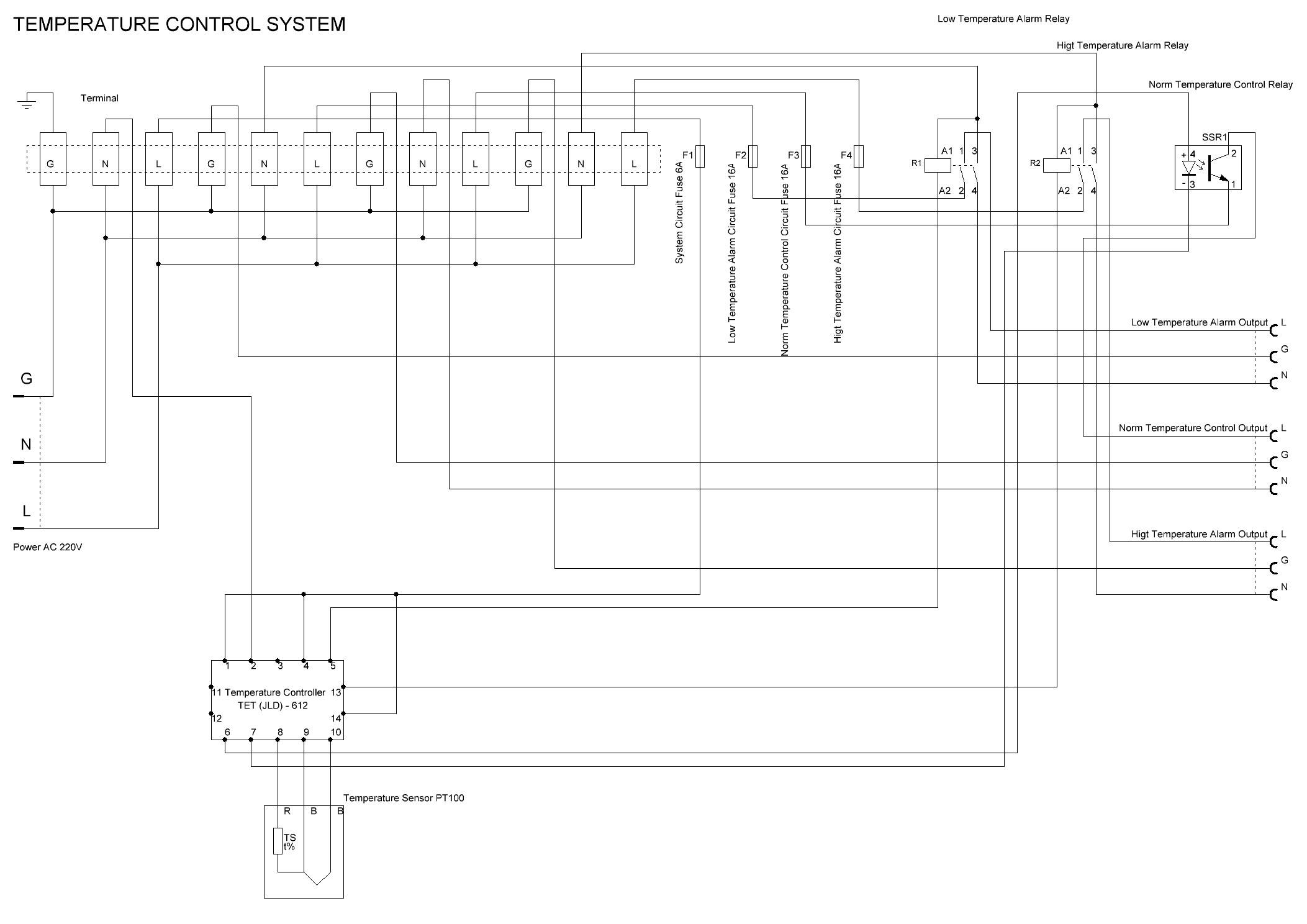
                В этой теме я обещал поделиться схемой системы контроля температуры на базе контроллера TET (JLD) - 612, с радостью выполняю обещание.



                Кроме этого, раз уж система собрана, краткая инструкция по сборке устройства, думаю, не будет лишней.

                Итак, данная система предназначена для плавного контроля/регулирования температуры в теплице.
                Оснащена:
                1) SSR выход для плавного управления основным нагревателем.
                2) Дополнительный (аварийный/переохлаждение) релейный выход на случай отказа основного нагревателя или сильных заморозков, когда основного нагревателя может быть недостаточно.
                3) Дополнительный (аварийный/перегрев) релейный выход для управления вентиляторами и т.д в летний период.

                Для сборки устройства понадобится корпус, в моём случае это монтажная коробка CI с прозрачной крышкой.



                Лучше брать полный комплект, включая панель заземления, стойки и DIN-рейки.



                Вначале нужно закрепить панель заземления, после чего стойки и рейки.



                Теперь в эту коробку нужно установить все нижеперечисленные элементы:

                контроллер температуры TET (JLD) - 612 в паре с датчиком PT100,



                автоматические выключатели,



                релейные контакторы,



                твердотельное реле в паре с радиатором,



                выходные розетки с креплением на DIN-рейку,



                сигнальные светодиоды (лампы) для визуального отображения включения нагрузки,



                клеммы,



                обжимные наконечники для многожильного провода и фиксаторы для кабеля,



                монтажный провод и силовой кабель,



                и пластиковые хомуты для жгутов проводки.



                При установке компонентов в щиток стоит обратить внимание на то, что кабеля подключения не должны перекрывать доступ к элементам управления.
                Соответственно, выходные розетки, силовой кабель и кабель подключения датчика должны быть расположены ниже всех остальных элементов.
                В моём варианте это выглядит вот так.



                После нужно сделать разметку на "лицевой" панели и прорезать монтажные отверстия.



                Стоит отметить, что порядок в "щитке" и аккуратный монтаж - немаловажно!
                Всё должно быть собрано надёжно и качественно!








                На этом этапе монтаж можно считать завершённым.



                Остаётся ещё раз проверить схему подключения и надёжность соединений, после чего можно закрыть крышку и произвести первое включение.



                P.S// о настройках контроллера напишу позже.
                Вложения

                Комментарий


                • #38
                  Хочется узнать - а что обогревать-то? и для кого это предназначено?
                  коммутируемый 1 КВт это мало для теплицы, а для балкона много.
                  Для балкона будет рулить настенный ветродуй со всторенным терморегулятором (1500-3000 р), где еще один терморегулятор избыточен,
                  А для теплицы нужен экономичный подогрев, на фоне которого, да и утепления теплицы по уму, цена цифрового коммерческого автоматического терморегулятора с и-нет или смс - контролем уже невелика.
                  Впрочем, если владелец - человек, проводящий по 6-12 часов в теплице ежедневно, или самоделкин, то надежный советский терморегулятор - лишнее

                  Комментарий


                  • #39
                    Сообщение от Azteckium
                    коммутируемый 1 КВт это мало для теплицы, а для балкона много.
                    Общая нагрузочная способность 6 кВт., ограничена только входным силовым кабелем. Если его заменить на кабель сечением 4 мм кв., именно такой применялся в самом "щитке" для разводки силовых цепей, то нагрузочная способность увеличится вдвое - свыше 10 кВт.
                    Назначение - контроль и регулировка температуры в теплице.

                    Комментарий


                    • #40
                      Я про исходный терморегулятор.
                      Про Ваше изделие - я восхищен, но т.к. я не электрик, повторять не буду)) Мне в свое время проще было купить кситал: 1 час чтения инструкции и 15 мин на установку, день из Москвы на настройку смс-ками))

                      Комментарий


                      • #41
                        Сообщение от Azteckium
                        Я про исходный терморегулятор.
                        Сообщение от Azteckium
                        Мне в свое время проще было купить кситал: 1 час чтения инструкции и 15 мин на установку
                        На самом деле ничего сложного
                        На сборку уходит вечер. Какими-то особыми навыками обладать не надо, схема довольно проста.
                        Для этого и вывесил, чтобы каждый при желании смог собрать подобное.(tu)

                        Комментарий


                        • #42
                          Сообщение от elektro-kot
                          P.S// о настройках контроллера напишу позже.
                          Теперь довольно кратко о настройках контроллера.

                          Оригинальное руководство для TET (JLD) - 612 можно посмотреть здесь.

                          Кому подобные инструкции сложны, постараюсь объяснить в более лёгкой форме.

                          Начнём с панели:


                          Индикатор AL1 сигнализирует о срабатывании аварийного релейного выхода AL1 (R1 на схеме).
                          Индикатор AL2 сигнализирует о срабатывании аварийного релейного выхода AL2 (R2 на схеме).
                          Индикатор AT отображает запуск автоматической настройки PID параметра.
                          Индикатор OUT сигнализирует о работе SSR выхода (SSR1 на схеме).
                          Верхнее табло (красное) PV - реальная температура.
                          Нижнее табло (зелёное) SV - установленная температура.

                          Кроме сигнальных индикаторов контроллер имеет 4 клавиши управления настройками:

                          SET - вход/подтверждение.
                          Стрелка вправо - переход слева направо.
                          Стрелка вниз - переход сверху вниз.
                          Стрелка вверх - переход снизу вверх.

                          [hr]

                          Для примера зададим системе следующие параметры:

                          Контролируемая температура на SSR выходе 11 градусов.
                          Включение аварийного дополнительного нагревателя, в случае переохлаждения, при температуре 9,3 градуса, отключение при температуре 10 градусов.
                          Включение вентиляторов, в случае перегрева, при температуре 35 градусов, отключение при температуре 30 градусов.


                          [hr]

                          Нажимаем SET, появится поле "0000" для ввода кода настроек.
                          Стрелкой вправо перемещаем курсор на предпоследнюю цифру кода и стрелкой вверх или вниз выставляем значение "8", снова передвигаем курсор стрелкой вправо на последнюю цифру и стрелкой вверх или вниз выставляем значение "9". Установив таким образом код "0089", подтверждаем значение, нажав клавишу SET.

                          После ввода кода попадаем в первую группу параметров - системные настройки:

                          INTY - тип датчика (выставляем значение Pt10.0 - датчик PT100 с отображением до десятых градуса)
                          OUTY - управление (выставляем значение 2 - контроль SSR, J1 и J2 аварийные релейные выходы)
                          HY - гистерезис (оставляем значение по умолчанию 0,3, т.к выбранный нами ранее метод управления OUTY его не учитывает)
                          PSB - коррекция датчика (в данном случае -1,3. Чтобы скорректировать правильно, необходимо пользоваться заведомо точным термометром)
                          RD - метод контроля (выставляем значение 0 - нагрев)
                          CORF - измерение (выставляем значение 0 - Градусы Цельсия)
                          END - жмём SET для сохранения установленных значений и выхода.

                          [hr]

                          Следующая группа параметров под кодом "0036" - ручная установка PID.
                          Этот параметр разумно доверить автоматике, включив непосредственно на объекте авто-установку, тогда система подстроится исключительно под контролируемый объект и его условия.

                          Оставляем значения по умолчанию:

                          P - 5,0
                          I - 100
                          D - 20
                          SOUF - 0,2
                          OT - 2
                          FILT - 0
                          END - выход.

                          Уже на самом объекте, где будет установлена данная система контроля/регулирования температуры, нужно запустить авто-установку.
                          Перед запуском следует подключить к системе только основной нагреватель (без аварийных), дождаться снижения температуры ниже установленной (в данном случае 11 градусов), полностью исключить резкие перепады температуры на датчике (открытая дверь например), нажать клавишу стрелка вправо и удерживать до момента начала моргания индикатора AT, после чего отпустить клавишу. Система пройдёт несколько циклов нагрева/охлаждения (на это может потребоваться около часа), после чего выставит максимально подходящие значения для данного объекта, о чём будет свидетельствовать выключение индикатора AT.

                          Внимание!
                          При любом изменении конструкции объекта (замена нагревателя, например, утеплителя и т.д) авто-настройку следует проводить заново.

                          [hr]

                          Последняя группа параметров под кодом "0001" - настройки температуры:

                          SV - желаемая температура в данном случае (выставляем значение 11)
                          AH1 - включение дополнительного аварийного нагревателя в данном случае (выставляем значение 9,3)
                          AL1 - выключение дополнительного аварийного нагревателя в данном случае (выставляем значение 10)
                          AH2 - включение вентиляторов в данном случае (выставляем значение 35)
                          AL2 - выключение вентиляторов в данном случае (выставляем значение 30)
                          END - выход.

                          [hr]

                          Всё, настройки завершены!
                          Можно включить устройство без нагрузки, нагреть, а затем охладить датчик для проверки срабатывания устройства в соответствии с установленными значениями.

                          Короткий видео-ролик проверочного включения.
                          Вложения

                          Комментарий


                          • #43
                            Сообщение от elektro-kot
                            данная система предназначена для плавного контроля/регулирования температуры в теплице.
                            Сообщение от Azteckium
                            Про Ваше изделие - я восхищен
                            Я тоже восхищен, особенно когда держишь данное изделие в своих руках (yahoo)
                            Вчера почтальон принес домой посылку, а там это самое изделие (полность собранное), присланное Константином в подарок (до сих пор не могу поверить, что такие штуки можно дарить)!
                            Так что теперь мне предстоит установить щиток у себя в теплице и отчитаться о его работе в зимнее время.

                            Комментарий


                            • #44
                              Сообщение от Burov_Alex
                              до сих пор не могу поверить, что такие штуки можно дарить
                              У нас в Израиле говорят: - "титхадеш", т.е с обновкой, Алексей! (tu)

                              Интересно будет наблюдать, как система себя покажет в ваших условиях.
                              С нетерпением жду результатов испытаний!
                              И пусть эта зима, как и все последующие, пройдёт гладко и без аварий!

                              Комментарий


                              • #45
                                Ещё одно устройство для контроля/регулирования температуры на базе контроллера WH7016C.
                                Данное устройство намного проще и не обладает функционалом предыдущего, но не менее надёжно и в какой-то степени универсальное.
                                В распоряжении только один релейный выход, позволяющий управлять нагрузкой мощностью до 3,5 кВт.
                                Может быть перенастроено как на нагрев (зимой), так и на охлаждение (летом).

                                Схема устройства.



                                На фото используемый в данном устройстве контроллер температуры.



                                Как и в предыдущем случае, монтаж выполнен в коробе CI.



                                Окончательная сборка и настройка устройства.

                                Вложения

                                Комментарий

                                Обработка...
                                X